概述
SFL500是一款电流模式PWM控制器,用于LED照明应用,采用降压拓扑结构工作在恒定关断时间模式。恒定关断时间的设计带来了较高的系统稳定性和高恒流精度。它集成了17V ~ 500V宽输入范围IC电源线性稳压器。低的待机和工作电流可以使系统效率可高达95 %。
SFL500将清除IC电源之前EA外部反馈网络。该IC还具有软启动控制软化应力的MOFET上电期间。
该IC集成了频率抖动功能,可以提高系统的EMI性能。该IC还可以支持模拟和PWM调光的IC需要很少的外部元件(除了功率级)来产生一个控制LED电流,使其成为低成本LED驱动器的理想解决方案。
SFL500具有多重LED保护,包括LED开路保护, LED短路保护和芯片上的热关断保护。
SFL500提供SOP8/SOT23-6两种封装形式。
特点
> 内置IC电源电路用17V至500V的宽输入范围
> 内置频率Shuffing的EMI
> 2 %精度( @ TJ = 25 )内部参考电压恒流(CC )控制
> 恒定关断时间操作
> 高效率降压拓扑结构
> 模拟/ PWM调光限制
> 引脚悬空保护
> 低待机功耗
> 片Thernal关断( OTP )
> 无E-帽设计
> VDD欠压锁定,过压保护及钳位保护
应用
> AC / DC或DC / DC LED驱动器应用
> RGB背光LED驱动器
> 平板显示器的背光照明
> 一般陈建构成恒流源
> 标牌及装饰LED照明
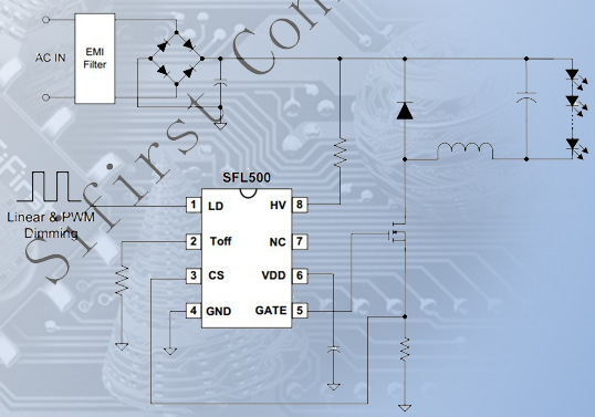
典型应用

深圳市德凯源科技有限公司 专业代理著名品牌LED驱动器
深圳市德凯源科技有限公司是一家专业代理分销世界名牌电子元器件的科技公司,自成立以来,公司一贯坚持“信誉至上、品质卓越、价格合理、交货快捷”的发展理念和宗旨,以市场为导,以诚信为本,积极开拓国内外广阔的市场,获得广大客户的一直信赖和好评,并与欧美、日、韩以及台湾等生产商及代理销售机构建立了良好的合作关系。公司主营ST、TI、ON、NXP、PAM、MBI、SCT、PT、BP、OB...等知名品牌的LED 照明驱动IC、显示屏驱动IC、背光驱动IC。广泛应用于家居照明、道路照明、LED显示屏、LED广告灯及智能照明等电子产业。
德凯源科技作为一家专业的LED驱动器分销代理商,不但得到原厂全方位的技术支持和货源支持,公司本身也有自己的方案开发和技术支持团队,志在为广大顾客提供方便全面的支持。
公司联系方式:
地址:深圳市龙岗区布吉大芬村康达尔花园蝴蝶堡2栋B座8F
展销柜:深圳市福田区中航路都会电子城2B102A
TEL:0755-82571529/13428925925
FAX:0755-89374256
E-mail:dekay_sz@126.com
本公司代理分销品牌: